The PLUGY Discovery Series stands at the forefront of modern power electronics, offering a versatile range of products designed to meet the needs of both industrial applications and academic research. This comprehensive suite of modules integrates state-of-the-art technology with user-friendly design, enabling engineers, researchers, and students to push the boundaries of innovation.
Among the flagship offerings are the LEG Inverters, available in various configurations including IGBT-based models at 1200V/50A, 1200V/30A, and 650V/55A, as well as MOSFET-based models at 200V/50A. These inverters are celebrated for their reliability and high-performance capabilities, making them ideal for applications where robust voltage and current handling is essential. Their design prioritizes efficiency and safety, making them a trusted choice in both heavy industrial environments and precision-driven academic projects.
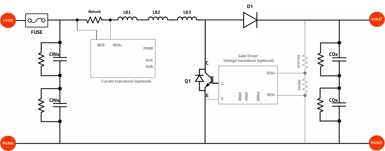
Complementing the inverters are the Buck, Boost, and Buck-Boost converters, engineered with similar power ratings using both IGBT and MOSFET technologies. These converters are specifically designed to manage voltage transformation with high efficiency and minimal energy loss. Whether stepping up or stepping down power levels, the converters offer a stable and consistent output, which is crucial for both experimental research and real-world industrial operations.
The series also includes advanced gate drivers and transducers tailored for IGBT, SiC MOSFET, and conventional MOSFET devices. These components are integral for controlling high-speed switching and for ensuring accurate measurement of current and voltage. Their high isolation levels contribute to the overall safety and reliability of power systems, providing engineers with the tools they need to develop innovative and secure power solutions.
Further broadening its scope, the PLUGY Discovery Series offers IPM three-phase inverters available in 1, 2, and 3 HP variants, as well as a single-phase 3HP rectifier. These products are particularly suited for motor drive applications and industrial power management. The modular design of these systems allows for easy scalability, making them suitable for a wide range of applications—from small-scale experimental setups to large industrial installations.
Another key component of the series is the BLDC motor drive, offered in several configurations including 48V/80A, 48V/40A, 60V/80A, and 60V/40A. These motor drives deliver high efficiency and precise control, which are critical for electric vehicle applications, industrial automation, and robotics. Their robust construction ensures that they can withstand demanding operational conditions while delivering consistent performance.
Overall, the PLUGY Discovery Series is designed with versatility and reliability in mind. Its products empower users by offering customizable solutions that can be seamlessly integrated into both industry projects and academic research. Whether used for prototyping in a university lab or deployed in a high-stakes industrial environment, these products facilitate a deeper exploration of power electronics principles while ensuring operational excellence and safety.




